動力單元系列
汽車尾板用動力單元
扒胎機動力單元
登車橋動力單元
環衛展翼車
剪叉式升降平臺
升降平臺動力單元
雙柱汽車舉升機
小型電動托盤車
小型交流升降平臺
移動式剪叉平臺
移動式升降平臺
移動式桅柱高空作業平臺
展翼車動力單元
推薦新聞
- 飛翼車故障解決秘籍:飛翼無法下降的實用診斷與解決方案
- 全面解析:飛翼車液壓系統維修指南與故障排除技巧
- 液壓油缸主要組成部分詳解與功能分析
- 單向液壓油缸標準化維修技術規程(2025年行業合規修訂版)
- 液壓系統保養時注意事項有哪些?
- 液壓站的作用是什么?使用場景有哪些?
- 液壓系統中出現振動和噪音是什么原因造成的?
- 工程油缸的原理與應用在使用的情況
- 常見的液壓油缸制作與應用情況
- 不銹鋼油缸的保養和維護指南大全
聯系我們
手機:0533-3142858
電話:18615115678
郵箱:sdgl2858@126.com
地址:山東淄博市張店區灃水鎮東高村工業園
登車橋用動力單元
廠家品牌:山東國立液壓
公司模式:生產廠家
加工方式:來圖定制
銷售批量:一臺
產品價格:在線報價
產品簡介:
銷售區域:江蘇,山東,廣東,浙江,安徽,河北,河南,四川,遼寧,湖北,蘇州,深圳,杭州,北京,無錫,成都,濟南,鄭州,上海,青島,德州
產品標簽:
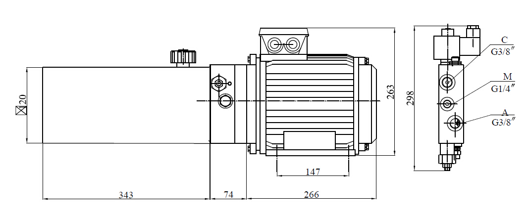
登車橋用動力單元參數大全

1.液壓系統壓力: 160bar
2.液壓油箱體積:6L
3.液壓泵排量:3.2cc/r
4.電機功率:1.5KW ; AC380V
5.電機轉速:1440r/min
6.功能:單作用
7.顏色:默認紅色/白色塑料
8.安裝方式:臥式
9.油箱材料:鐵皮(1-1,5mm),工程塑料
10.應用場合: 貨車

**為電磁換向閥電壓
外形圖片

此液壓動力單元由高壓齒輪泵、交流電機、液壓閥、油箱等零部件有機結合為一體。為液壓登車橋提供大小橋板的升降和閉合功能,可控制兩組單作用油缸。

- 上一篇:沒有了
- 下一篇:沒有了


客服QQ